您好,欢迎访问洛阳锐矿冶金装备制造有限公司!如有疑问欢迎随时致电我们进行咨询。
锤式破碎机是种带有环锤的冲击转子式破碎机。不仅能随转子旋转,还能饶锤销轴自转。物料进入破碎机后,在破碎腔内受到随转子高速旋转的环锤的冲击而破碎,被破碎的物料同时从环锤处获得动能,高速度地冲向破碎板 , 受到二次破碎,然后落到筛板上, 受锤的剪切、挤压、研磨以及物料与物料之间的相互碰撞作用,物料得到进步的破碎,并通过筛孔排出机外。不能破碎的杂物则由锤推入金属收集器,由操作人员定期清除。
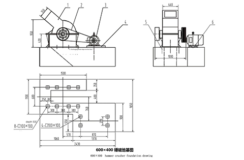
出料粒度的调节,是通过更换不同规格的筛板来实现的。转子与筛板之间的间隙,可根据需要通过调节机构进行调节。
锤式破碎机目前分重型及轻型两种,环锤式碎煤机(轻型环锤式破碎机)适用于莫氏 硬度二物料的破碎,使用碎煤环锤。环锤式碎石机(重型环锤式破碎机)适用于莫氏硬度五以下的脆性物料的破碎,使用碎石环锤。碎石环锤质量大于碎煤环锤的质量,从而提高环锤的冲击力,达到破碎矿石的目的。
【进料粒度】:350mm
【生产能力】:5-150m³/h
【应用范围】:锤式破碎机用于破碎各种中硬且磨蚀性弱的物料,其物料的抗压强度不超过100MPa,含水率小于15%。被破碎物料为煤、盐、白垩、石膏、砖瓦、石灰石等,还用于破碎纤维结构、弹性和韧性较强的碎木头、纸张或破碎石棉水泥的废料以回收石棉纤维等等。
适用物料多 应用范围广
锤式破碎机系列产品适用于破碎各种中等硬度和脆性物料,如石灰石、煤、盐、白亚、石膏、明矾、砖、瓦、煤矸石等,被破碎物料的抗压强度不超过150兆帕,可广泛用于水泥、选煤、发电、建材、化工、冶金及复合肥等行业。
锤头设计合理 工作率高
锤式破碎机采用优质高孟钢,并经过严格的热处理工艺流程,从而得到单的奥氏体组织,使用寿命与锰钢、道轨等原产品相比提高五倍以上,工作率提高30%以上。
三重破碎 高节能
锤式破碎机的破碎方式,是能量带动锤头打击破碎,其次被锤头打击的物料高速撞击反击板,后反击板反弹的石料再撞击被锤头击打过来的物料,共有三重破碎的力度,但消耗的只是带动锤头的那些能量,所以锤式破碎机可以更高,更节能。
运行稳定 破碎果佳
锤式破碎机的设计造型美观、结构紧凑,每个部件都经过严格的筛选把关,可以实现长时间的正常运行,而且破碎比大,产品的粒度均匀,般呈立方体形,不会出现过度破碎的现象。
* 请认证填写您的需求并提交,我们会尽快与您联系

PHONE
电话:15510055333
固话/传真:
ADDRESS
地址:中国(河南)自由贸易试验区洛阳片区高新区延光路16号108
15510055333@163.com