您好,欢迎访问洛阳锐矿冶金装备制造有限公司!如有疑问欢迎随时致电我们进行咨询。
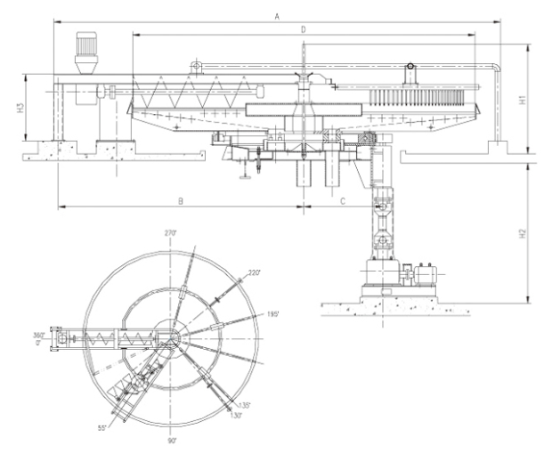
平盘真空过滤机是种连续运行的高过滤设备,对于颗粒状无聊机滤饼需要洗涤的物料均有着很大的优势,结构简单,操作维护比较容易,载水平放置的转盘上环形安置若干扇形滤室,滤室上部配有滤板、滤网、滤布,滤室下部有出液管,与错气盘连接,需过滤的料浆由上部加料斗连续加入,经过滤后,滤液由下部的出液管流错气盘至气液分离器;滤饼经多次洗涤并吸干后由螺旋出料器输送出料 转盘及卸料螺杆的转速均为变频调速,以满足不同工艺操作需要。
【应用范围】:适合氧化铝、钛白粉、磷酸、无机盐、精细化工、冶金、洗矿等域的液固分离
* 请认证填写您的需求并提交,我们会尽快与您联系

PHONE
电话:15510055333
固话/传真:
ADDRESS
地址:中国(河南)自由贸易试验区洛阳片区高新区延光路16号108
15510055333@163.com